TRCZ02硬齿面斜齿轮减速机是一款专为工业应用设计的先进减速设备,具有高强度、高精度和高效率的特点。这款减速机采用硬齿面斜齿轮设计,使得它具有更长的使用寿命和更高的承载能力,特别适合于需要承受高负荷和冲击的工作环境。TRCZ减速机通常由输入轴、齿轮箱和输出轴组成。输入轴接收动力输入,通过齿轮箱中的硬齿面斜齿轮传递动力至输出轴,从而实现对速度和转矩的调节。
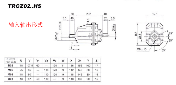
下面是TRCZ02齿轮减速机的型号,不同厂家型号表示方式有差异,具体的型号请咨询客服了解。
| TRCZ02-40.66-P63 B5 | TRCZ02-28.88-P71 B5 | TRCZ02-17.10-P71 B5 | TRCZ02-14.81-P80 B5 | TRCZ02-5.45-P80 B14 | TRCZ02-3.66-P90 B14 |
| TRCZ02-46.46-P63 B5 | TRCZ02-35.91-P71 B5 | TRCZ02-23.85-P71 B5 | TRCZ02-17.10-P80 B5 | TRCZ02-7.39-P80 B14 | TRCZ02-4.43-P90 B14 |
| TRCZ02-54.00-P63 B5 | TRCZ02-40.60-P71 B5 | TRCZ02-28.88-P71 B5 | TRCZ02-23.85-P80 B5 | TRCZ02-8.78-P80 B14 | TRCZ02-5.45-P90 B14 |
| TRCZ02-28.88-P80 B14 | TRCZ02-46.46-P71 B5 | TRCZ02-35.91-P71 B5 | TRCZ02-28.88-P80 B5 | TRCZ02-9.93-P80 B14 | TRCZ02-7.39-P90 B14 |
| TRCZ02-35.91-P80 B14 | TRCZ02-54.00-P71 B5 | TRCZ02-40.60-P71 B5 | TRCZ02-35.91-P80 B5 | TRCZ02-12.05-P80 B14 | TRCZ02-8.78-P90 B14 |
| TRCZ02-40.60-P80 B14 | TRCZ02-17.10-P90 B14 | TRCZ02-46.46-P71 B5 | TRCZ02-40.60-P80 B5 | TRCZ02-13.21-P80 B14 | TRCZ02-9.93-P90 B14 |
| TRCZ02-46.46-P80 B14 | TRCZ02-23.85-P90 B14 | TRCZ02-54.00-P71 B5 | TRCZ02-46.46-P80 B5 | TRCZ02-14.81-P80 B14 | TRCZ02-12.05-P90 B14 |
| TRCZ02-17.10-P90 B5 | TRCZ02-28.88-P90 B14 | TRCZ02-4.43-P90 B5 | TRCZ02-54.00-P80 B5 | TRCZ02-17.10-P80 B14 | TRCZ02-13.21-P90 B14 |
| TRCZ02-23.85-P90 B5 | TRCZ02-35.91-P90 B14 | TRCZ02-9.93-P90 B5 | TRCZ02-13.21-P90 B5 | TRCZ02-23.85-P80 B14 | TRCZ02-14.81-P90 B14 |
| TRCZ02-3.66-P90 B5 | TRCZ02-5.45-P90 B5 | TRCZ02-8.78-P90 B5 | TRCZ02-12.05-P90 B5 | TRCZ02-14.81-P90 B5 | TRCZ02-7.39-P90 B5 |
TRCZ02减速电机的性能优势:
高效率:TRCZ02减速电机采用高效率的齿轮设计和优秀的传动技术,能够实现高效的动力传输。这有助于减少能源消耗和运营成本。
高精度:TRCZ02伺服电机减速机具有高精度的齿轮加工和严格的品质控制,能够实现高精度的传动。这有助于提高设备的稳定性和精度,适用于需要精确控制速度和转矩的场合。

强大的承载能力:TRCZ02减速电机采用高强度材料和先进的热处理技术,具有较长的使用寿命和较高的承载能力。它能够承受高负荷和冲击,适用于各种重载应用场景。
优秀的稳定性:TRCZ02减速电机具有优秀的稳定性,能够在各种恶劣的工作环境下保持稳定的性能。其封闭式设计和防水防尘设计使其适用于各种恶劣的环境条件。
多样化的配置:TRCZ02小型齿轮减速机提供多种配置选择,可以满足不同客户的需求。无论是输入方式、输出方式还是安装方式,都可以根据客户的具体需求进行选择。

TRCZ01减速电机具有高效率、高精度、强大的承载能力、优秀的稳定性、多样化的配置和良好的售后服务等性能优势,是一款高性能的传动设备,适用于各种需要高效、高精度传动的工业应用场景。
购买须知:我司VEMTE品牌所有系列产品,标准常用的,仓库均备有现货2000台左右,非常用的需排单定做,请联系客服咨询货期。凡购买我司品牌VEMTE系列产品,不分价格高低,保修期内非人为原因返回厂家维修或者是快递零部件给用户自己更换。两年后免费维修,只收取零件成本费用。因各种设备企业对产品的要求标准不同,如果您的设备是出口的,请告知客服转接我司VEMTE工程部,告知您的高标准,我们VEMTE工程部会为您量身定做百分百符合要求的产品。



