NBR090行星减速机型号大全及尺寸图纸
NBR090A行星减速机型号大全及尺寸图
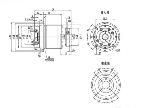
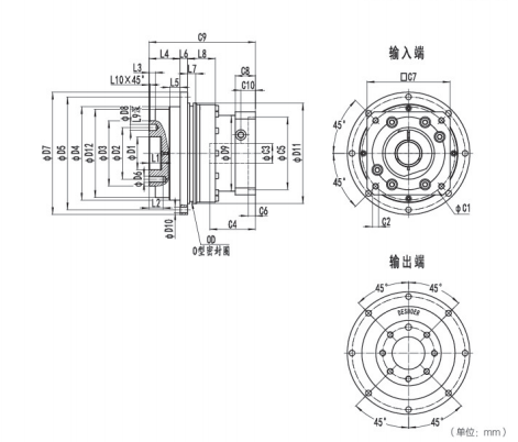
NBR115行星减速机型号大全及尺寸图纸
NBR115精密行星减速器型号尺寸图
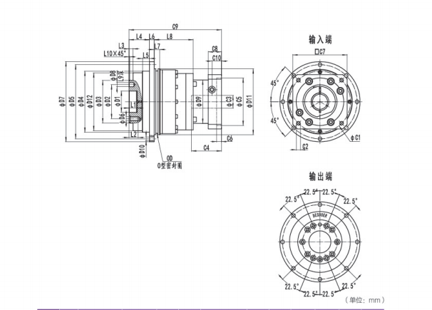
NBR142行星减速机型号及尺寸图
NBR142精密行星减速机型号及尺寸图
NBR180行星减速机型号及尺寸图纸
NBR180行星减速器型号及尺寸图
ND047行星减速机型号大全及尺寸图
ND047A精密行星减速器型号大全及尺寸图
ND064系列精密行星减速器型号大全及尺寸图
ND090系列精密行星减速器型号大全及尺寸图(上)
ND090系列精密行星减速器型号及尺寸图(下)
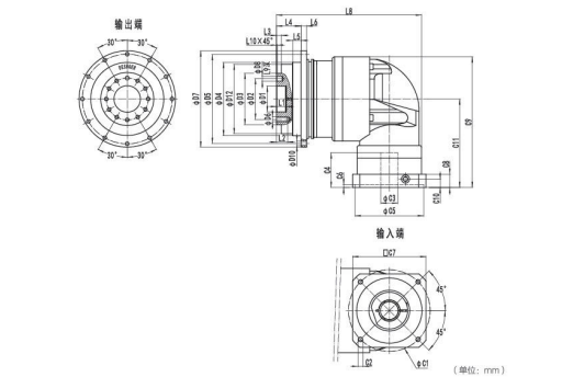
ND110系列精密行星减速器型号和图纸
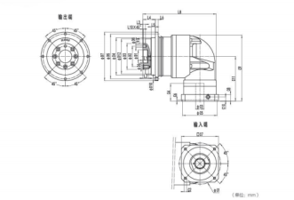
NDV110系列精密行星减速机型号与图纸
ND047系列精密行星减速机型号与尺寸图纸
ND047A系列精密行星减速机尺寸参数图纸
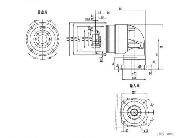
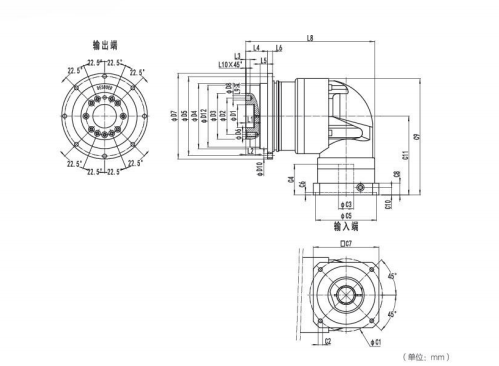
NDV140系列精密行星减速器型号与尺寸图纸
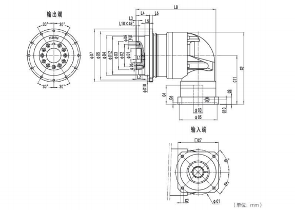
NDV200系列精密行星减速器型号参数与图纸
NDR064系列精密行星减速机型号参数与图纸
NDR090系列精密行星减速器型号尺寸与图纸
NDR110系列精密行星减速器型号尺寸与图纸
NDR140系列精密行星减速器型号尺寸与图纸
NDR200系列精密行星减速器尺寸与参数图纸



