大家估计很好奇,为什么都是齿轮减速机,一般的齿轮减速机与行星减速机,价格相差那么多?接下来介绍NDV110系列精密行星减速机的同时,也简单概括一下一般齿轮减速机与行星减速机的区别:
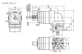
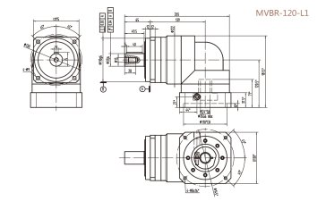
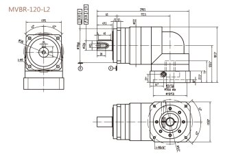
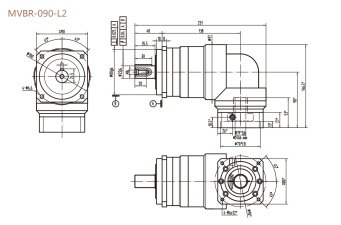
NDV110系列精密行星减速器型号如下,不同厂家的行星减速机型号表示方式之间有差异,具体型号可咨询客服了解,或者直接拨打我们的联系方式。
NDV110系列超精密背隙行星减速机系列:NDV110系列精密背隙行星减速器系列:NDV110系列标准背隙行星减速机系列:
NDV110-4-S2-P0 ,NDV110-4-S2-P1,NDV110-4-S2-P2,
NDV110-5-S2-P0,NDV110-5-S2-P1,NDV110-5-S2-P2,
NDV110-7-S2-P0,NDV110-7-S2-P1,NDV110-7-S2-P2,
NDV110-10-S2-P0,NDV110-10-S2-P1,NDV110-10-S2-P2,
NDV110-16-S2-P0 ,NDV110-16-S2-P1,NDV110-16-S2-P2,
NDV110-20-S2-P0,NDV110-20-S2-P1,NDV110-20-S2-P2,
NDV110-25-S2-P0,NDV110-25-S2-P1,NDV110-25-S2-P2,
NDV110-35-S2-P0,NDV110-35-S2-P1,NDV110-35-S2-P2,
NDV110-40-S2-P0,NDV110-40-S2-P1,NDV110-40-S2-P2,
NDV110-50-S2-P0,NDV110-50-S2-P1,NDV110-50-S2-P2,
NDV110-70-S2-P0,NDV110-70-S2-P1,NDV110-70-S2-P2,
NDV110-100-S2-P0,NDV110-100-S2-P1,NDV110-100-S2-P2,

一般齿轮减速机和行星减速机的区别主要体现在以下几个方面:
结构:齿轮减速机的结构相对简单,通常由一对或多对齿轮组成;行星减速机则较为复杂,包含多个行星齿轮。
1,传动方式:齿轮减速机通过齿轮的啮合传递动力;行星减速机利用行星齿轮的运动来实现减速。
2,承载能力:行星减速机具有较高的承载能力和刚性。
3,效率:齿轮减速机的效率相对较高;行星减速机在某些情况下可能效率略低。
4,精度:行星减速机的精度通常更高。
5,稳定性:行星减速机的运行更稳定,抗冲击和振动能力强。
6,噪音:齿轮减速机可能产生较大的噪音;行星减速机噪音相对较小。
7,应用范围:齿轮减速机适用于一些一般性的传动需求;行星减速机常用于对精度、承载能力等有较高要求的场合。
选择哪种减速机应根据具体的应用需求和工况来决定。



