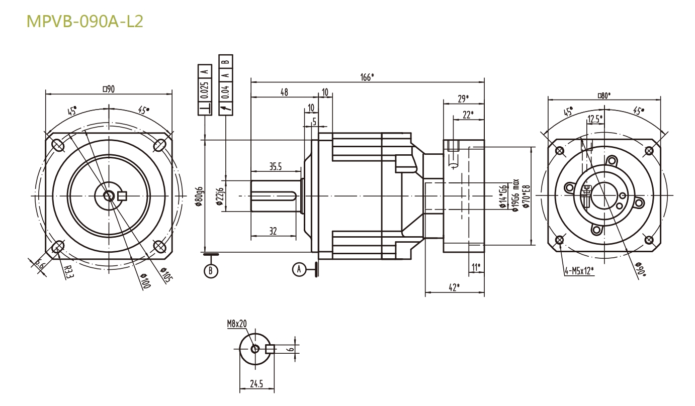
MPVB090AL2 行星减速机结构紧凑噪音低
在现代工业领域中,高效、可靠且性能卓越的传动设备至关重要。MPVB090AL2 行星减速机以其结构紧凑和噪音低的显著优势,在众多应用场景中展现出强大的竞争力。
结构紧凑是 MPVB090AL2 行星减速机的一大突出特点。在空间有限的设备中,如小型自动化生产线、精密仪器等,紧凑的设计能够极大地节省安装空间。它的体积小巧,却能实现强大的动力传输。通过优化的行星齿轮布局和精密的制造工艺,MPVB090AL2 行星减速机在不牺牲性能的前提下,将各个部件紧密集成在一起。例如,在一些空间受限的自动化生产单元中,这款减速机可以轻松安装在狭小的空间内,与其他设备完美配合,实现高效的生产流程。

低噪音特性则为其在众多环境中的应用提供了便利。在许多工作场所,尤其是对噪音敏感的环境,如实验室、医疗设施等,低噪音的传动设备至关重要。MPVB090AL2 行星减速机采用先进的降噪技术,通过优化齿轮的设计和制造精度,减少了齿轮啮合时的摩擦和振动,从而有效降低了噪音水平。在实验室中,低噪音的减速机可以确保实验人员在安静的环境中进行精确的测量和观察;在医疗设施中,它可以为患者提供一个安静舒适的治疗环境。
MPVB090AL2 行星减速机的结构紧凑和噪音低优势并非孤立存在,而是相互促进的。紧凑的结构设计有助于减少振动的传递路径,从而降低噪音的产生;而低噪音的特性又使得它在各种应用场景中更加受欢迎,为其广泛应用奠定了基础。
总之,MPVB090AL2 行星减速机以其结构紧凑和噪音低的独特优势,在现代工业和科技领域中发挥着重要作用。无论是在追求高效生产的工业环境中,还是在对噪音要求严格的特殊场所,它都能为用户提供可靠、高效且安静的传动解决方案。



