专业定制生产减速机、齿轮减速电机、减速电机、调速电机、行星减速机、减速马达、产品有免保养、体积小等特点!
免费选型  131-1306-9953
免费咨询  微信同号
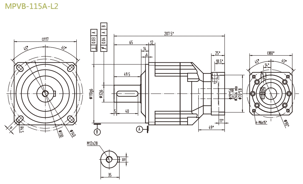
MPVB115AL2P0行星减速机的常见故障及解决方法
发布时间:2024-08-20

  MPVB115AL2P0 行星减速机的一些常见故障及解决方法:

  减速机过热

  可能原因:润滑油不足或变质、过载运行、散热不良、频繁启停等。

  解决方法:检查并添加适量的合格润滑油;确认负载是否在减速机额定范围内,如有必要需减少负载;检查散热装置是否正常工作,确保良好的通风散热条件;尽量避免过于频繁的启停操作。

  噪音过大

  可能原因:齿轮磨损、轴承损坏、齿轮啮合不良、有异物进入减速机内部等。

  解决方法:送专业厂家维修或更换磨损的齿轮;更换损坏的轴承;检查齿轮啮合情况,如有必要进行调整或修复;打开减速机仔细检查,清除内部异物。

  漏油

  可能原因:密封件老化或损坏、减速机箱体有裂缝、加油量过多、安装不当等。

  解决方法:更换老化或损坏的密封件;检查箱体,对裂缝进行修补或更换箱体;放出多余的润滑油至合适油位;重新正确安装减速机,确保各部件安装紧密且位置正确。

  输出轴不转或转动异常

  可能原因:联轴器连接问题、齿轮卡死、轴断裂等。

  解决方法:检查联轴器的连接是否松动或损坏,如有问题进行紧固或更换;拆开减速机检查齿轮是否卡死,清除卡滞物或维修更换损坏的齿轮;若轴断裂则需送专业厂家进行修复或更换。

  振动过大

  可能原因:齿轮、轴承磨损严重、安装基础不牢固、联轴器不对中等。

  解决方法:送专业厂家维修或更换磨损的齿轮和轴承;加固安装基础,确保减速机安装平稳牢固;重新对中联轴器,使其安装精度符合要求。

  精度下降

  可能原因:长期高负荷运行、齿轮磨损、内部零部件松动等。

  解决方法:尽量避免减速机长期在高负荷下运行;如齿轮磨损严重需更换;对减速机内部进行全面检查,紧固松动的零部件。